行家说Display
LED新型显示产业智库
关注公众号
揭秘LED显示屏背后的“驱动者”
国星光电 · 2025-10-23
揭秘LED显示屏背后的“驱动者”
■ 赛事场馆内,异形显示屏燃亮视觉惊喜
■ 商业街区里,裸眼3D巨幕转瞬“破墙而出”
■ 演艺舞台上,LED高清大屏联动视听精彩……
当前,各式各样的LED显示屏正以创新的显示效果与丰富造型,拓展着人们感知视觉世界的维度。而这些视觉盛宴的背后,都离不开“幕后操控者”——LED驱动技术。
你会否好奇,LED驱动技术是如何精准控制LED器件,使器件在恰当时刻发出恰好的光?
「 技术解析 」
LED显示屏背后的驱动方案
目前市场应用于LED显示产品上常见的两大驱动方案,分别为PM驱动和AM驱动。
▋“集中管理”型——PM驱动
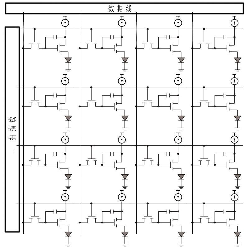
PM驱动(全称Passive Matrix,被动矩阵式驱动)是通过显示器件阴阳极构成矩阵状,并以扫描方式控制点亮显示器件的驱动方式。
揭秘LED显示屏背后的“驱动者”
▲PM驱动典型电路示意图
该方式采用“逐行扫描”机制:当某一特定的第Y列扫描线和第X行扫描线被选通的时候,其交叉点(X,Y)的LED器件即被点亮。整个屏幕以这种方式进行高速逐点扫描点亮即可实现画面显示。
▋“专属服务”型——AM驱动
AM驱动(全称Active Matrix,主动矩阵式驱动)是采用独立驱动电路对显示器件(或像素)进行一对一控制的驱动方式。
揭秘LED显示屏背后的“驱动者”
▲AM驱动典型电路示意图
该驱动方式好比为每个显示器件配备“开关元件”,可直接控制器件的导通或关闭,从而实现器件的连续或独立地发光。
「 技术辨析 」
两大驱动方案的优缺对比
在LED显示技术的实际应用中,两大驱动方案各有千秋,需根据具体应用需求进行权衡。
揭秘LED显示屏背后的“驱动者”
▲PM与AM驱动方案对比图
1
PM驱动方案
优点:电路结构简单,易于规模生产和维护,成本效益突出,应用范围更为广泛。
缺点:因采用逐行扫描的工作方式,在追求极高刷新率、极高灰度等级时可能存在瓶颈,容易出现“串扰”(即相邻像素间的干扰)等现象。
2
AM驱动方案
优点:因其独立控制特性,可实现更佳的亮度均匀性、更快的响应速度、更丰富的色彩灰度以及更低的频闪,画面表现更为细腻稳定。
缺点:每个器件都需要集成独立的驱动电路,导致设计复杂、成本高昂,且在极高密度微缩化方面面临挑战。
「 技术应用 」
国星光电显示产品与驱动方案融合
在驱动技术路径上,国星光电以市场需求为导向,致力于推动LED高清显示产品精准适配PM与AM驱动方案,提升整体显示性能,助力终端应用构建差异化竞争优势。
PM驱动+MIP方案打造黄金组合
基于PM驱动方案对显示器件单体亮度、快速响应及一致性等方面的具体要求,国星光电依托自主研发的MIP(Mini/Micro LED in Package)封装技术,推出应用于高清显示屏的MIP系列显示器件及面板产品,可精准适配驱动方案,实现显示性能的全面提升。
揭秘LED显示屏背后的“驱动者”
▲国星光电自主研发的MIP系列AS面板,结合PM驱动方案,可呈现更出色的显示效果和更优异的能效表现
该系列产品通过采用微型独立封装结构、集成封装工艺、精简内部结构等方式,在搭配PM驱动方案下,实现了刷新率高达3840Hz、低灰画面均匀性提升至95%以上,峰值亮度2000nits以上等出色的显示效果,能为会议一体机、家庭影院、LED虚拟影棚等高端显示应用提供有力的技术支持。
AM驱动+MIP方案探索前沿应用
面对AM驱动方案对显示器件电流均匀性与低驱动电压的严苛要求,国星光电积极推进MIP封装技术创新发展,通过优化封装结构、联合IC与驱动厂商协同开发等举措,提升器件更高电流下的均匀性,以实现显示画面的细腻表现与系统功耗的有效降低。
目前,相关技术已在高均匀性静态电流驱动、AM驱动MIP器件开发等方面取得阶段性进展,为未来Micro LED在高端电视、透明显示等更广泛领域的应用奠定了技术基础。
显示无处不在,精彩值得期待!
展望未来,国星光电将继续深入践行广晟控股集团FAITH经营理念,做好技术创新探索者与产业升级推动者的角色,以先进的技术和优质的产品点亮千行百业,赋能美好生活期待。
*部分图片来源:网络,版权归原作者所有
▍撰稿:研究院李茂鑫、企业文化部(工会办公室)翁雯静
▍编辑:翁雯静
▍编审:童艳
揭秘LED显示屏背后的“驱动者”
揭秘LED显示屏背后的“驱动者”
揭秘LED显示屏背后的“驱动者”
揭秘LED显示屏背后的“驱动者”
揭秘LED显示屏背后的“驱动者”
国星光电 向上滑动看下一个
国星光电 写留言 ,选择留言身份
相关标签
最新活动
往届回顾