行家说Display
LED新型显示产业智库
关注公众号
1月22日最新科技巨头AR/VR专利报告
显示世界 · 2019-01-23
(映维网 2019年01月22日)近期美国专利及商标局公布了一批全新的AR/VR专利,以下是映维网的整理。
1. 《Sony Patent | Display control apparatus, display control method, and program(索尼专利;显示器控制器装置,显示器控制方法,以及程序)》
1月22日最新科技巨头AR/VR专利报告
发明描述了一种显示控制装置,其包括配置为检测用户状态的状态检测单元;配置为令显示器显示多个内容项叠加在图像,并根据用户状态控制每个显示内容项行为的显示控制单元。
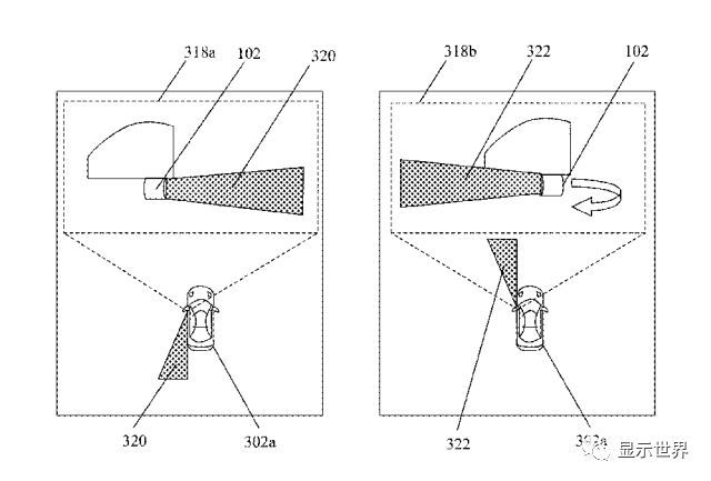
2. 《Sony Patent | System and method to provide driving assistance(索尼专利:提供驾驶辅助的系统与方法)》
1月22日最新科技巨头AR/VR专利报告
发明描述了用于驾驶辅助的系统和方法。所述系统包括车辆电子控制单元中的一个或多个电路,其配置为根据一个或多个传感器产生的一个或多个信号来检测与车辆相关联的一个或多个动作。电子控制单元同时可以配置为根据检测到的一个或多个动作来控制成像设备的激活。成像设备可以捕捉车辆前方的一个或多个图像。
3. 《Sony Patent | Information Processing Method and Information Processing Device(索尼专利:信息处理方法与信息处理设备)》
1月22日最新科技巨头AR/VR专利报告
发明描述了一种信息处理方法和信息处理设备,其能够根据现实世界情况提供更高精度的位置信息。信息处理方法包括:由处理器生成特征点列表,其中特征点的三维坐标与特征点的局部特征量相关联。信息处理设备包括:配置为从所获取图像信息中提取与特征点相关的特征点和局部特征量的计算组件;配置为根据采集的观察信息获取特征点列表的通信组件。
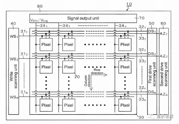
4. 《Sony Patent | Display Apparatus and Electronic Apparatus(索尼专利:显示器装置与电子装置)》
1月22日最新科技巨头AR/VR专利报告
专利描述的显示装置包括:一个像素阵列组件,像素组件布置在像素组件之中,每个像素组件包括驱动晶体管,驱动晶体管包括多个栅电极并根据施加至栅电极的视频信号驱动发光单元;;以及一个控制组件,其控制驱动晶体管中不同栅电极的栅极电压。
5. 《Sony Patent | Sound Output Device, Sound Output Method, Program, and Sound System(索尼专利:声音输出设备,声音输出方法,以及声音系统)》
1月22日最新科技巨头AR/VR专利报告
专利所述的解决方案允许听着听到实时获取的声音。其中,声音输出装置包括:声音获取组件,其配置为获取来自环境声音的声音信号的声音获取组件; 混响处理组件,其配置为对声音信号执行混响处理; 声音输出组件,其配置为将经过混响处理的声音输出至听者耳朵附近。发明所述的解决方案允许听者听到实时获取的声音,而且其中添加了期望的混响。
6. 《Samsung Patent | Method of Controlling Display and Electronic Device for Providing the Same(三星专利:控制显示器的方法与提供相同项的电子设备)》
1月22日最新科技巨头AR/VR专利报告
专利描述了一种电子设备,方法和计算机可读介质。电子设备可以包括存储器,如计算机可读介质。存储器可以包括程序指令,包括由控制器识别电子设备的负载信息,根据控制器识别的负载信息检测屏幕显示信息,以及控制显示器根据检测到的屏幕显示信息显示应用程序的执行屏幕。
7. 《Samsung Patent | System and Method for Voice Command Context(三星专利:用于语音控制情景的系统与方法)》
1月22日最新科技巨头AR/VR专利报告
专利描述了一种用于移动钱包汇款的方法,电子设备和非暂时性计算机可读介质。所述方法包括在显示器上显示含有对象的内容。所述方法同时包括确定显示器的眼睛注视点区域,以及将眼睛注视点区域与对象相关联。所述方法同时包括接收口头命令,并根据检测到的一组唇部运动导出命令。所述方法同时包括从与眼睛注视点相关联的对象,接收的口头命令或导出的命令中的至少一个提取情景信息。所述方法同时包括根据提取的情景信息,以及口头命令与派生命令的协调来确定预期命令。然后,系统执行确定的预期命令。
8. 《Samsung Patent | Time-Resolving Sensor Using Shared Ppd+Spad Pixel and Spatial-Temporal Correlation for Range Measurement(三星专利:利用共享PIN型光电二极管+单光子雪崩二极管像素与时空相关系数进行距离测量的时间分辨传感器)》
1月22日最新科技巨头AR/VR专利报告
专利描述了利用共享PIN型光电二极管+单光子雪崩二极管像素与时空相关系数来进行距离测量的时间分辨传感器。利用多个单光子雪崩二极管(SPAD)和单个PIN型光电二极管(PPD),飞行时间(TOF)技术可以与像素阵列中各像素内的模拟振幅调制相结合。SPAD可以在多个相邻像素之间共享。可通过差分转换器将TOF信息添加到接收的光信号。多个相邻SPAD输出之间的时空相关系数用于控制PPD的操作,以帮助记录TOF值和对象范围。通过停止来自PPD的电荷转移来防止由于环境光引起的错误范围测量,而由于这个原因,仅当在预定义的时间间隔内触发像素中两个或更多SPAD时记录TOF值。在困难驾驶条件时,包含多SPAD像素的自动导航系统可为驾驶员提供改善的视场。
9. 《Samsung Patent | Method and Apparatus for Transmitting Data in Network System(三星专利:用于在网络系统中传输数据的方法与装置)》
1月22日最新科技巨头AR/VR专利报告
专利描述了一种用于传输媒体数据的方法。 所述方法包括向显示设备发送说明内容范围的指示信息,以及向显示设备发送与范围相对应内容的至少一个asset。 指示信息包括指导类型信息,指示用于描述范围的类型。
相关标签
最新活动
往届回顾