行家说Display
LED新型显示产业智库
关注公众号
工程师不要错过--各种拓扑结构的同步整流技术!
工程师不要错过--各种拓扑结构的同步整流技术!
从二十世纪末,由于MOSFET技术大幅度进步,使得MOSFET的导通电阻已经达到低于2mΩ,开关速度小于20ns。
工程师不要错过--各种拓扑结构的同步整流技术!
有的使用氮化镓场效应晶体管(eGaN FET)器件并没有体二极管反向恢复(QRR),这使得DC/DC变换器中只要采用同步整流技术,初级即使不用软开关技术,也能给开关电源效率带来了巨大的提升。效率提升的百分点高达3%~8%,比软开关技术带来的效率提升要高得多,而且没有多少专利技术的限制。
原文档:各种拓扑结构的同步整流技术.pdf
下载方法:在公众号回复“同步整流”免费获取
工程师不要错过--各种拓扑结构的同步整流技术!
在36V-60V转12V、500KHZ降压转换器,氮化镓与MOSFET器件的效率比较。
同步整流技术在使用上面早已不再局限于2.5V、3.3V、5V这些低输出电压领域,现在上至12V,15V,19V,24V至28V以下输出,几乎都在使用同步整流技术。
下面我就来介绍和分析各种同步整流技术的优、缺点及其实现方法。
1,这是最早的方法,也是最简单和成本最低廉的技术。
2,在输入电压典型值附近工作时,效果十分明显,在高端时,效率变差而且容易损坏MOSFET。
3,有的自驱动同步整流电路受输入输出电压的限制。
工程师不要错过--各种拓扑结构的同步整流技术!
工程师不要错过--各种拓扑结构的同步整流技术!
工程师不要错过--各种拓扑结构的同步整流技术!
反激、单晶正激、推挽拓朴的自驱动同步整流电路
反激拓朴的同步整流电路
工程师不要错过--各种拓扑结构的同步整流技术!
工程师不要错过--各种拓扑结构的同步整流技术!
工程师不要错过--各种拓扑结构的同步整流技术!
工程师不要错过--各种拓扑结构的同步整流技术!
正激拓朴的同步整流电路
工程师不要错过--各种拓扑结构的同步整流技术!
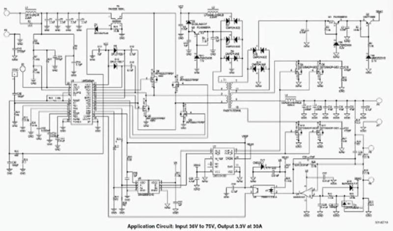
双晶正激拓朴的同步整流实用电路(初级侧输入电压为PFC之后390VDC)
有源箝位拓朴的同步整流电路
工程师不要错过--各种拓扑结构的同步整流技术!
工程师不要错过--各种拓扑结构的同步整流技术!
有源箝位正激拓朴的同步整流实用电路(VO=5V)
工程师不要错过--各种拓扑结构的同步整流技术!
工程师不要错过--各种拓扑结构的同步整流技术!
半桥拓朴的同步整流电路
工程师不要错过--各种拓扑结构的同步整流技术!
工程师不要错过--各种拓扑结构的同步整流技术!
工程师不要错过--各种拓扑结构的同步整流技术!
2、
为了防止高端输入时同步整流的MOSFET栅极上的电压过高,改用从二次绕组中增加驱动绕组的方式。
该方式可以有效地调节驱动同步整流的MOSFET的栅压,使它MOSFET栅压的合理区域,从而保护了MOSFET,提高了电源的可靠性,此外也将输出电压从5V扩展到24V。
工程师不要错过--各种拓扑结构的同步整流技术!
工程师不要错过--各种拓扑结构的同步整流技术!
工程师不要错过--各种拓扑结构的同步整流技术!
工程师不要错过--各种拓扑结构的同步整流技术!
为了提高驱动同步整流MOSFET的效果,从而设计了各种模式的同步整流的控制驱动IC。
1,控制IC驱动技术能克服自驱动技术的所带来的局限性。
2,减少或消除体二极管导通,使用精确时间控制电路可减小反向恢复损耗。
3,栅驱动电压可设置在最佳电平以使RDS(ON)最小。
4,可以更加智能化控制(轻载时关掉同步整流驱动,预检测栅驱动技术等)。
IR1167
主要特色有:
--适应反激变换器的DCM,CRM及CCM三种模式工作。适应LLC式半桥。
--最高500KHz工作频率。
--2A源出5A漏入的输出驱动的能力。
--栅驱动输出电压在10.7V到14.5V。
--Vcc电压从11.3V到20V。
--50ns关断比例延迟。
--直接检测MOSFET的源漏电压。
工程师不要错过--各种拓扑结构的同步整流技术!
工程师不要错过--各种拓扑结构的同步整流技术!
IR1168
工程师不要错过--各种拓扑结构的同步整流技术!
NCP4303
其主要特点如下:
--能用于各种拓朴,诸如反激(CCM,DCM,QR)、正激、半桥及LLC电路的同步整流控制。
--工作电压范围从10.4V~28V,最高30V。
--精确的二次侧零电流检测技术,零电流检测端能耐压到200V。
--自动的用寄生电感补偿输入。
--典型40nS关断延迟,从电流检测输入到驱动输出。
--具有禁止输入,进入待机或低功耗工作模式。
--可调独立于VCC水平的最小导通/关断时间。
--5A/2.5A峰值电流漏入,源出水平。
--栅驱动电压内部箝制为12V(NCP4303A)或6V(NCP4303B)。
--低的起动及待机电流。
--最高工作频率可达500KHZ。
NCP4303A用于反激的同步整流电路
工程师不要错过--各种拓扑结构的同步整流技术!
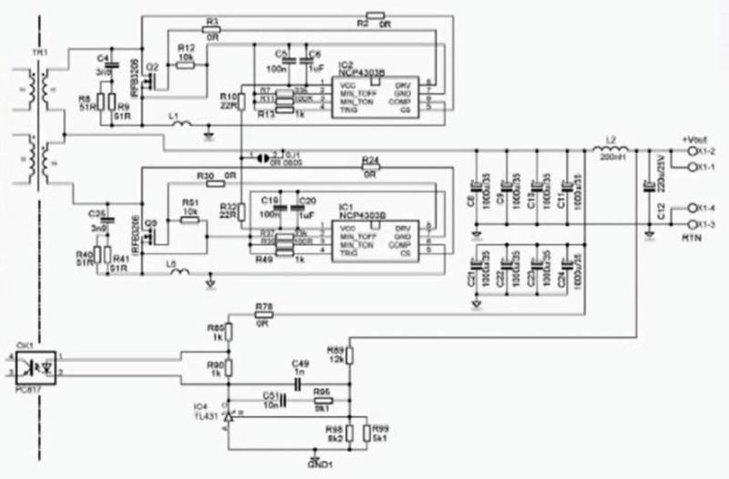
NCP4303B用于LLC的同步整流电路
工程师不要错过--各种拓扑结构的同步整流技术!
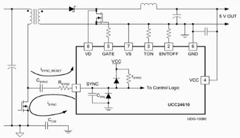
UCC24610
主要特色如下:
--高达600kHz工作频率;
--VDS MOSFET检测;
--1.6Ω漏入、2.0Ω源出的栅驱动阻抗;
--自动轻载管理;
--可以从休眠和轻载模式下同步唤醒;
--可调输入的保护特色;
--20ns典型的关断比例延迟;
--可以直接从5V输出电压供电;
UCC24610反激同步整流电路
工程师不要错过--各种拓扑结构的同步整流技术!
UCC24610反激同步整流电路
工程师不要错过--各种拓扑结构的同步整流技术!
工程师不要错过--各种拓扑结构的同步整流技术!
UCC24610 用于正激电路中做同步整流的电路
工程师不要错过--各种拓扑结构的同步整流技术!
UCC24610 用于有源箝位电路中做同步整流的
工程师不要错过--各种拓扑结构的同步整流技术!
由UCC24610作LLC谐振半桥同步整流的电路
工程师不要错过--各种拓扑结构的同步整流技术!
工程师不要错过--各种拓扑结构的同步整流技术!
由UCC24610作LLC谐振半桥同步整流的电路
工程师不要错过--各种拓扑结构的同步整流技术!
LTC3900
LTC3900通过一个脉冲变压器接受来自主端控制器的脉冲同步信号。 拥有一整套用于外部MOSFET 的保护功能。它内置了一种可编程超时功能,当同步信号丢失或错误时,该功能将停用两个驱动器。
此外,该器件还利用箝位MOSFET 的漏-源极电阻来检测输出电感器电流,从而在电感器电流出现反向时关断 MOSFET。另外,如果电源电压过低,则LTC3900 还将关断驱动器。
工程师不要错过--各种拓扑结构的同步整流技术!
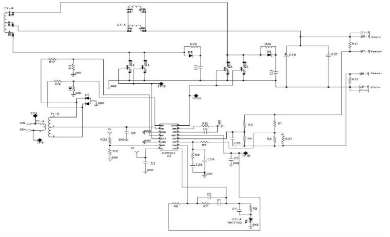
SIP11203/4
SIP11203/04的主要特点如下:
-- 非常高的驱动能力,源出2.2,漏入4A。
-- 接受初级侧给出的同步信号,并能调节同步驱动信号的延迟。
--电源起动及关断过程中完整的控制。
--内含误差放大器及1.225V基准电压源。
--输出过压保护。
--反馈光耦的驱动。
工程师不要错过--各种拓扑结构的同步整流技术!
SIP11203/4
工程师不要错过--各种拓扑结构的同步整流技术!
LTC3766
1,同步整流驱动。
2,电压反馈(磁反馈)。
3,真正的远端采样差分放大器。
4,过热 / 过压保护。
5,平均电流限制非常适合于电池充电应用。
工程师不要错过--各种拓扑结构的同步整流技术!
在初级侧电路中,PWM-IC输出的同步整流信号经信号变压器或高速光耦传递至二次侧,再经过RC网络积分后,经过MOSFET驱动器去驱动同步整流的MOSFET。
或者把PWM-IC放在二次侧,经过MOSFET驱动器去驱动同步整流的MOSFET。
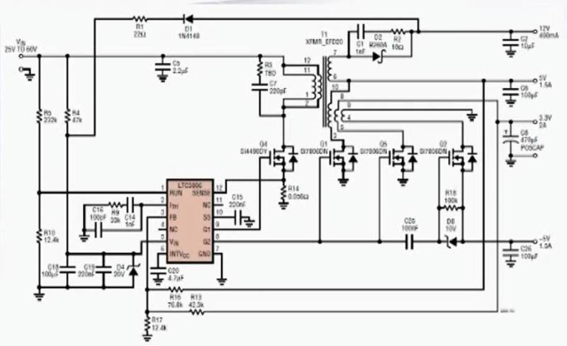
LTC3806反激的同步整流电路
工程师不要错过--各种拓扑结构的同步整流技术!
LM5039的同步整流电路
工程师不要错过--各种拓扑结构的同步整流技术!
工程师不要错过--各种拓扑结构的同步整流技术!
LM5039的同步整流电路
工程师不要错过--各种拓扑结构的同步整流技术!
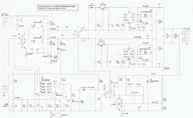
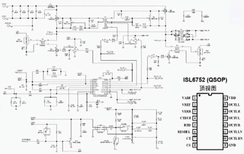
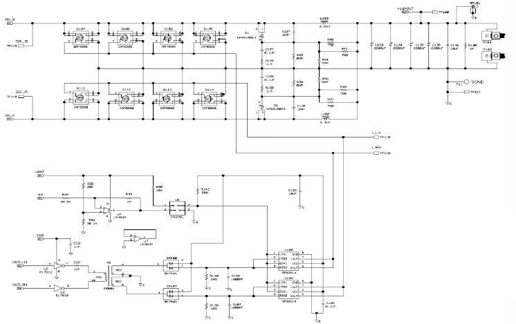
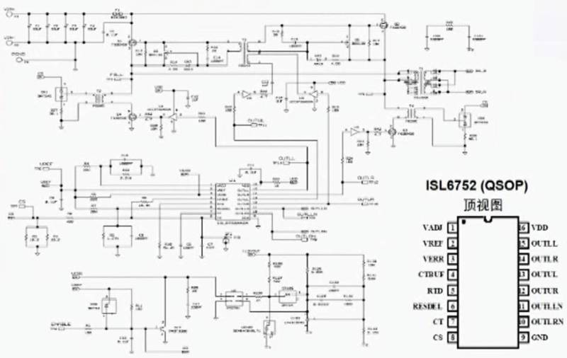
ISL6752的同步整流电路
工程师不要错过--各种拓扑结构的同步整流技术!
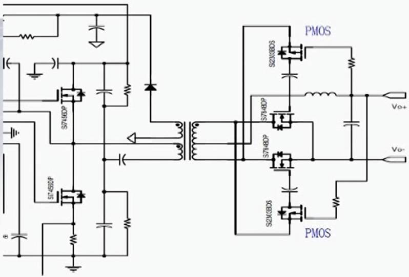
倍流整流的同步整流电路
工程师不要错过--各种拓扑结构的同步整流技术!
工程师不要错过--各种拓扑结构的同步整流技术!
工程师不要错过--各种拓扑结构的同步整流技术!
工程师不要错过--各种拓扑结构的同步整流技术!
ISL6754
工程师不要错过--各种拓扑结构的同步整流技术!
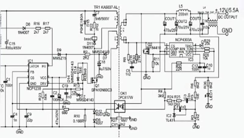
LM5046的同步整流电路
工程师不要错过--各种拓扑结构的同步整流技术!
混合式同步整流
工程师不要错过--各种拓扑结构的同步整流技术!
工程师不要错过--各种拓扑结构的同步整流技术!
一,同步整流专用控制IC:
STSR2、STSR30,IR1166/7,IR1168,NCP4303,UCC24610,LTC3900/1。
二,具有同步整流功能兼有其它功能的IC:
MAX5058,MAX5059,NCP4302,LTC1698,LT3766。
三,具有同步整流驱动信号的PWM-IC:
LTC3806,LTC3722/3,SC4910A/B,SIP11203/4,SI9122,LM5027,ISL6752/4,LM5045/6,UCC28950。
相关标签
最新活动
往届回顾