行家说Display
LED新型显示产业智库
关注公众号
讲述开关电源控制电路的设计(借用老芯片3525-494-3842讲述)
控制电路结构和主要组成部分的原理
开关电源的主电路主要处理电能,而控制电路主要处理电信号,属于“弱电”电路,它控制着主电路开关器件的工作。电源的很多指标,如稳压稳流精度、纹波、输出特性等也与控制电路相关。控制电路的设计质量对电源的性能至关重要,是设计工作的重点。
控制电路功能众多,相对复杂,设计内容复杂,周期较长,甚至可能出现反复,有时一些参数的确定还需要通过试验来得到。
原文档:讲述开关电源控制电路的设计.pptx
下载方法:在公众号回复“控制电路”免费获取
控制电路的结构
讲述开关电源控制电路的设计(借用老芯片3525-494-3842讲述)
一、驱动电路
驱动电路是控制电路与主电路的接口,同开关电源的可靠性、效率等性能密切相关。驱动电路需要有很高的快速性,能提供一定的驱动功率,并具有较高的抗干扰和隔离噪声能力。
二、调节器电路
调节器的作用是将给定量和反馈量进行比较和运算,得到控制量。调节器的核心是运算放大器。
三、并机均流电路
●开关电源经常需要并机组成系统运行,以获得更大的容量和更高的可靠性。
●根据各种负载对供电可靠性要求的不同,电源可以采用以下几种不同的运行方式:
单机运行
--采用单一电源向负载供电。
--特点:结构简单、成本低、但可靠性不高,一旦电源发生故障,供电中断。
并联运行
--N个电源并联构成的电源系统向负载供电,每个电源的功率为负载所需功率的1/N。
--特点:每个电源发生故障时,供电不中断,仅是最大供电能力有所降低。电源数量多,成本上升。用于可靠性要求较高的场合。
并联冗余运行
--N+M个电源并联工作,每个电源的功率为负载最大功率的1/N。运行时,每个电源平均承担负载功率。
--特点:发生故障的电源数量小于等于M时,电源系统仍能提供负载所需的全部功率。电源数量多,成本更高。用于可靠性要求非常高的场合。
为了达到可靠性目的,应尽量使并联运行的每个电源的输出电流分配均衡。
电源并联后输出电流不相等的原因:
--在输出电压相同的条件下,电压调节器误差信号 不同,这反映了电路参数的分散性。
--为了补偿这种分散性,使各电源的输出电流相等,并且电压调节器误差信号都等于零。必须采取控制措施—设置均流电路。
并联均流方式可以分为:
--利用输出电压调整率均流(电源输出电压随输出电流变化而变化的程度,即两者之比称为输出电压调整率,它反映了电源等效内阻的大小。人为增大各电源等效内阻,并保证一定的一致性。)
--主从方式均流(主控制器稳压,其电压调节器输出作为其他从控制器的电流参考信号,其他从电源按照电流源运行,均流精度高,可达0.5%。缺点是主控制器一旦损坏,则系统瘫痪。)
--无主或自动选主的均流方式(基本思路是在电源间通过并机电缆或称均流总线来传递均流信号,每个电源根据均流信号调节自身输出电流,达到相互一致目的。)
----最大电流自动均流法
----自动选主的主从均流法等
最大电流自动均流法原理
--均流母线电压正比于输出电流最大的电源的电流,即均流信号为各电源电流的最大值。
--各电源调节自身电流方法:均流信号与本电源反馈电流信号之差乘以比例系数,加到本电源的电压给定中。当误差增大时,本电源电压给定略微提高,使得本电源开环电压提高,分得更多的负载电流。
--缺点:通过调节电压给定来调节输出电流,会造成输出电压的波动,影响稳压精度;同时若比例系数过大,则会造成输出电压竞相上升,可能导致严重事故。若限定电压范围,则当均流电路调节能力达到极限时,电源只能退出均流。
自动选主的主从均流法原理
--各电源公用一个电压调节器,其输出作为电源的电流给定,每个电源含有电流调节器,由于每个电源的电流给定相同,因此各自输出电流是一样的。实际系统中,每个电源都含有电压调节器,在运行时电压调节器都处于工作状态,其输出通过均流母线仲裁处最大值,对应最大值的是主机,其他电源为从机。
--注意:均流电路的设计,不仅要使各并联开关电源模块在正常工作情况下能够均流运行,而且应该考虑当本模块发生故障时,不应显著影响其他模块的工作。
四、保护电路
控制电路应包含保护电路,保护电路包含自身保护和负载保护两方面的功能。一旦出现故障,立即使开关电路停止工作,并以声或光的形式报警,以保证在任何情况下,自身不损坏,并且不损坏负载。
自我保护功能:
--输入过电压
--系统过热
--输入欠电压、过电流
负载保护功能:
--输出过电压
--输出欠电压
--输入过电压、输入欠电压、过热保护电路中,应采用滞环比较器,以便在故障情况消失后,电源可以自动恢复工作。
--过电流保护电路应采用锁存器将过电流信号锁存。并且,锁存器应附加复位电路,以便在故障排除后重新开始工作,或者采用时间较长的延时复位电路,以降低过电流保护的频度。
--输出过电压和欠电压通常由电源或负载的严重故障引起,也应采用锁存器将故障信号锁存,一旦出现,应立即停机报警,等待人工干预。
--典型的过电压保护电路
讲述开关电源控制电路的设计(借用老芯片3525-494-3842讲述)
--R1、R2构成的分压电路作为输入电压Ui的检测电路,A点电压为UA=UiR2/(R1+R2),R3、R4、 RP与比较器C1构成滞环比较电路,环宽为UCCR3/R4。调节RP可以改变过电压保护的限值。
原理:
--UA*R4/(R3+R4)高于UH→比较器翻转→输出电压Uo变为电源电压UCC。(虚断)
--输入电压回落,UA+R3*(UCC-UH)/R4低于UH→比较器再次翻转→输出电压Uo回到零。(虚短)
典型的过电流锁存电路
讲述开关电源控制电路的设计(借用老芯片3525-494-3842讲述)
--电流互感器的一次侧串入主电路中,变压器一次侧支路或开关支路,以检测电流。R1是电流互感器二次侧的电流采样电阻,uR1= R1iS/n,n为电流互感器二次绕组与一次绕组的匝数比。
原理:
--主电路电流增大→uR1= R1iS/n增大→uR1大于UH → C1→输出由低电平变为高电平→RS触发器翻转→Q变为高电平→封锁PWM输出→主电路中开关全部关断→主电路各支路电流为零→保护。
--一次电流保护后,若要重启电路,则必须在RS触发器的R端施加复位信号,使RS触发器的输出状态重新变为低电平,主电路重新开始工作。
五、PWM控制电路
●作用:将在一定范围内连续变化的控制量(模拟信号)转换为PWM信号,该信号的开关频率固定,占空比跟随输入信号连续变化。
●常用的集成PWM控制器:SG3525、TL494和UC3825、UC3842/3/4/5/6、UC3875/6/7/8/9等。
●集成PWM控制器
--电压模式控制器
--电流模式控制器
--峰值电流模式
--平均电流模式
--电荷模式
●开关电源的控制方式
--电压模式:电压反馈控制环
--电流模式:电压反馈控制外环,电流控制内环
●电流模式控制方式的基本思想 :
--在输出电压闭环的控制系统中,增加了直接或间接的电流反馈控制。
●电流控制方式的优点:
(1)系统的稳定性增强,稳定域扩大。
(2)系统动态特性改善。输出电压中由输入电压引入的低频纹波被完全消除。
(3)具有快速限制电流的能力。采用电流控制模式后,电源中可以不必再设置输出短路保护电路。
●电压控制模式的结构图
讲述开关电源控制电路的设计(借用老芯片3525-494-3842讲述)
●峰值电流模式
--峰值电流模式控制系统的结构图如图a,主要的波形如图b。
讲述开关电源控制电路的设计(借用老芯片3525-494-3842讲述)
●基本原理
--开关的开通由CLK信号控制,CLK信号每隔一定时间使RSFF置位,Q=1→开关开通→iL上升至给定值iR→比较器输出信号翻转→RSFF复位,Q=0→开关复位。
●峰值电流模式控制采用电流给定信号与电感电流直接比较的方法,并含有RS触发电路。
●峰值电流模式优点:控制系统稳定性好、响应速度快、实现容易、并能限制电路中的峰值电流,从而保护器件,因此得到了广泛应用,是目前使用最为广泛的电流模式控制方法。
●峰值电流模式的缺点:
--该方法控制的是电感电流的峰值。对很多需要精确控制电感电流平均值的开关电源来说,是不允许的。
--峰值电流模式控制电路中,将电感电流直接与电流给定信号比较,但电感电流中通常含有一些开关过程的噪声信号,容易造成比较器的误动作,使电感电流发生不规则的波动。
●针对这些问题,提出了平均电流模式控制。
●平均电流模式控制
--平均电流模式控制的原理
讲述开关电源控制电路的设计(借用老芯片3525-494-3842讲述)
--该模式采用PI调节器作为电流调节器,并将调节器输出的控制量uc与锯齿波信号us相比较,得到周期固定、占空比变化的PWM信号,用以控制开关的通与断。
●常见的集成PWM控制器内部电路的典型结构如图
讲述开关电源控制电路的设计(借用老芯片3525-494-3842讲述)
●驱动电路:结构通常为推挽结构的跟随电路,用来提供足够的驱动功率,以有效地驱动主电路的开关器件。
●欠电压保护电路:对集成PWM控制器的电源实施监控,一旦电源跌落至阈值以下时,就封锁输出驱动脉冲,以免电源掉电过程中,输出混乱的脉冲信号而造成开关器件的损坏。
●封锁电路:由外部信号控制,一旦有外部信号出发,立即封锁输出脉冲信号,给外部保护电路提供了一个可控的封锁信号。
六、常用的集成PWM控制器介绍
1、UC1842/2842/3842
●采用峰值电流模式控制,专门用于构成正激型、反激型等开关电源的控制电路。
●UC3842主要性能指标
--最大电源电压/V :36
--驱动输出峰值电流/mA :1000
--最高工作频率/kHz :500
--基准源电压/V :5
--基准源温度稳定性/(mV/℃):0.2
--误差放大器开环增益/dB :90
--误差放大器单位增益带宽/MHz :1
--误差放大器输入失调电压/uA :0.1
●UC3842主要性能指标
--电流放大器增益/倍 :3
--电流放大器最大输入差分电压/V :1
--启动电压/V :16
--启动电流/mA :1
●封装及管脚图
讲述开关电源控制电路的设计(借用老芯片3525-494-3842讲述)
讲述开关电源控制电路的设计(借用老芯片3525-494-3842讲述)
●UC3842内部结构如图
讲述开关电源控制电路的设计(借用老芯片3525-494-3842讲述)
●UC3842各组成部分的原理
--内部包含5V基准源,用于电压调节器的误差放大器和峰值电流比较器等。具有可以提供1A峰值电流的驱动电路、电源欠电压保护电路等。
--振荡器的振荡频率由外接电阻RT和电容CT决定, CT也决定死区时间的长短。死区时间、开关频率同RT和CT关系如下
讲述开关电源控制电路的设计(借用老芯片3525-494-3842讲述)
--驱动电路结构为推挽结构的跟随电路,输出峰值电流可达500mA,可直接驱动主电路的开关器件。
●UC3842各组成部分的原理
--欠电压保护电路对集成PWM控制器的电源实施监控。
--初上电时,当电源电压低于启动电压(约16V)时→封锁PWM信号输出→输出端(引脚6)为低电平。
--当电源电压大于启动电压→经过软启动→ UC3842内部电路开始工作→PWM信号输出。
--若电源电压跌至保护阈值(约10V)以下→PWM信号被封锁,避免输出混乱脉冲,以保护主电路开关器件。
--当电源电压再次大于启动电压→再经软启动→UC3842内部电路重新工作→恢复PWM信号输出。
●采用UC3842为控制器构成的功率为27W反激型多路
讲述开关电源控制电路的设计(借用老芯片3525-494-3842讲述)
2.SG1525/2525/3525
●SG3525主要性能指标
--最大电源电压/V :40
--驱动输出峰值电流/mA :500
--最高工作频率/kHz :500
--基准源电压/V :5.1
--基准源温度稳定性/(mV/℃):0.3
--误差放大器开环增益/dB :75
--误差放大器单位增益带宽/MHz :2
--误差放大器输入失调电压/mV :2
--封锁阈值电压/V :0.4
--启动电压/V :8
--待机电流/mA :14
●封装
讲述开关电源控制电路的设计(借用老芯片3525-494-3842讲述)
●管脚
讲述开关电源控制电路的设计(借用老芯片3525-494-3842讲述)
●SG3525内部结构图
讲述开关电源控制电路的设计(借用老芯片3525-494-3842讲述)
●SG3525各组成部分的原理
--SG3525采用精度为±1%的5.1V带隙基准源,温度稳定性较高、噪声等级较低,能提供1-20mA的电流,可作为电路中电压和电流的给定基准。
--振荡器的振荡频率由外接电阻RT和电容CT决定, CT也决定死区时间的长短。开关频率同RT和CT关系如下
讲述开关电源控制电路的设计(借用老芯片3525-494-3842讲述)
●SG3525各组成部分的原理
--SG3525采用电压模式控制方法
----振荡器输出的时钟信号触发RS触发器→形成PWM信号上升沿→主电路的开关器件导通。
----EA的输出信号同振荡器输出的三角波信号相比较→三角波瞬时值高于EA的输出→PWM比较器翻转→触发RS触发器翻转→形成PWM信号下降沿→主电路的开关器件关断。
----RS触发器输出的PWM信号的占空比为0-100%,考虑到死区,最大占空比通常为90%-95%。
●SG3525各组成部分的原理
--T触发器作用为分频器
----将RS触发器的输出分频→得到占空比为50%、频率为振荡器频率1/2的方波。
----T触发器输出的两路互补方波同RS触发器输出的PWM信号相“或” →得到两路互补的占空比为0-50%的PWM信号。
----考虑到死区,最大占空比通常为45%-47.5%。
----PWM信号适用于半桥、全桥、推挽等双端电路的控制。
●SG3525各组成部分的原理
--驱动电路结构为推挽结构的跟随电路,输出峰值电流可达500mA,可直接驱动主电路的开关器件。
--欠电压保护电路对集成PWM控制器的电源实施监控。
----初上电时,当电源电压低于启动电压(约8V)时→封锁PWM信号输出→输出端A、B为低电平。
----当电源电压大于启动电压→经过软启动→ SG3525内部电路开始工作→PWM信号输出。
----若电源电压跌至保护阈值(约7V)以下→PWM信号被封锁,避免输出混乱脉冲,以保护主电路开关器件。
----当电源电压再次大于启动电压→再经软启动→ SG3525内部电路重新工作→恢复PWM信号输出。
●SG3525各组成部分的原理
--封锁电路由引脚10的信号控制,一旦有外部信号触发,立即封锁输出脉冲信号,给外部保护电路提供一个可控的封锁信号。当外部封锁信号撤销后, SG3525要再经过一次软启动过程,才重新开始工作。
●控制电路以SG3525为核心的推挽型开关电源
讲述开关电源控制电路的设计(借用老芯片3525-494-3842讲述)
--振荡器部分的RT和CT端(引脚5、6)分别对地连接电容和电阻,其取值按下式确定:
讲述开关电源控制电路的设计(借用老芯片3525-494-3842讲述)
--在CT端和放电端(引脚5、7)间跨接放电电阻,通常其值为数欧至数百欧。调整放电电阻的大小可以改变死区时间。
--误差放大器通常用作电压调节器,其外围电路通常接成PID电路,以达到较好的稳定性、稳态精度、动态性能。
3.UC1846/2846/3846
●采用峰值电流模式控制,用于半桥型、全桥型、推挽型开关电源的控制。
●UC3846主要性能指标
--最大电源电压/V :40
--驱动输出峰值电流/mA :500
--最高工作频率/kHz :500
--基准源电压/V :5
--基准源温度稳定性/(mV/℃):0.4
--误差放大器开环增益/dB :105
--误差放大器单位增益带宽/MHz :1
--误差放大器输入失调电压/mV :0.5
●UC3846主要性能指标
--电流放大器增益/倍 :2.75
--电流放大器最大输入差分电压/V :1.2
--限流偏置电压/V :0.5
--封锁阈值电压/V :0.35
--启动电压/V :7.7
--欠电压保护阈值滞环宽度/V :0.75
--待机电流/mA :17
●UC3846各组成部分的原理
--UC3846采用精度为±1%的带隙基准源,温度稳定性较高、噪声等级较低,能提供1-10mA的电流,可作为电路中电压和电流的给定基准。
--振荡器的振荡频率由外接电阻RT和电容CT决定, CT也决定死区时间的长短。死区时间、开关频率同RT和CT关系如下
讲述开关电源控制电路的设计(借用老芯片3525-494-3842讲述)
●UC3846各组成部分的原理
--UC3846采用峰值电流模式控制方法。
----时钟信号触发RS触发器→形成PWM信号上升沿→主电路的开关器件导通。
----开关器件导通→电感电流增长→CA输出增长→CA输出高于EA的输出→比较器翻转→触发RS触发器翻转→形成PWM信号下降沿→主电路的开关器件关断。
----RS触发器输出的PWM信号的占空比为0-100%,考虑到死区,最大占空比通常为90%-95%。
--简单地说,即“开关器件在固定时刻开通,电流瞬时值达到电流给定值时,开关器件关断”。
--T触发器作用为分频器。
----将RS触发器的输出分频→得到占空比为50%、频率为振荡器频率1/2的方波。
----T触发器输出的两路互补方波同RS触发器输出的PWM信号相“或” →得到两路互补的占空比为0-50%的PWM信号。
----考虑到死区,最大占空比通常为45%-47.5%。
----PWM信号适用于半桥、全桥、推挽等双端电路的控制。
--驱动电路结构为推挽结构的跟随电路,输出峰值电流可达500mA,可直接驱动主电路的开关器件。
--欠电压保护电路对集成PWM控制器的电源实施监控。
----初上电时,当电源电压低于启动电压(约7.7V)时→封锁PWM信号输出→输出端A、B为低电平。
----当电源电压大于启动电压→经过软启动→ UC3846内部电路开始工作→PWM信号输出。
----若电源电压跌至保护阈值(约7V)以下→PWM信号被封锁,避免输出混乱脉冲,以保护主电路开关器件。
----当电源电压再次大于启动电压→再经软启动→ UC3846内部电路重新工作→恢复PWM信号输出。
--封锁电路由引脚16的信号控制,一旦有外部信号触发,立即封锁输出脉冲信号,给外部保护电路提供一个可控的封锁信号。当外部封锁信号撤销后,UC3846要再经过一次软启动过程,才重新开始工作。
4.UC1875/2875/3875
●采用峰值电流模式控制,用于半桥型、全桥型、推挽型开关电源的控制。
●UC3875主要性能指标
--最大电源电压/V :20
--驱动输出峰值电流/mA :3000
--最高工作频率/kHz :2000
--基准源电压/V :5
--误差放大器开环增益/dB :60
--误差放大器单位增益带宽/MHz :11
--误差放大器输入失调电流/uA :0.6
--启动电压/V :10.75
--启动电流/mA :0.15
●UC3875工作时间信号关系如下图
讲述开关电源控制电路的设计(借用老芯片3525-494-3842讲述)
●UC3875通过改变外围电路的接法,可以构成电压模式控制电路或峰值电流模式控制电路。
●电压模式控制电路的接法
--将斜率控制引脚18连接到锯齿波输入引脚19,EA的输出信号直接与锯齿波相比较,控制移相角φ。EA的输出电压越高,φ越接近0°;EA的输出电压越低,φ越接近180°。
●峰值电流模式控制电路的接法
--将电路中的电流反馈连接到锯齿波输入引脚19,此时EA作为电压控制器,EA的输出为峰值电流控制环的给定信号,当电流反馈达到EA输出值时,超前臂换相。
电压模式控制电路的设计
电压模式控制电路的主要内容是电压调节器的结构形式和参数的确定。
一、电压调节器结构形式
●开关电源通常都要求有较高的输出电压稳压精度,一般要求达到2%以内,较好的电源应该优于0.5%,这样高的稳态精度采用P调节器很难达到,因此,电压调节器的结构形式都采用PI或PID调节器,由于积分环节的存在,理论上,输出电压的稳态误差为零。实际电路中,由于运放零偏、漂移和基准源与反馈电路的误差等问题,实际稳态误差不会为零,但已可以达到较高的精度。
●上述三种调节器的电路形式如下图
讲述开关电源控制电路的设计(借用老芯片3525-494-3842讲述)
●在电压模式控制中,控制量用来直接控制占空比。
●在电流模式控制中,电压调节器的控制量作为电流环的给定信号,用来控制输出电流。
●这三种调节器的传递函数分别为
讲述开关电源控制电路的设计(借用老芯片3525-494-3842讲述)
●PI调节器具有1个零点,而PID调节器具有2个零点。通常电压调节器都采用PI调节器,其结构简单,参数整定比较容易。在某些动态性能要求较高的电源中,可采用PID调节器。
●注意:微分环节的引入会导致反馈信号中高频成分被放大,容易受到高频信号的干扰。
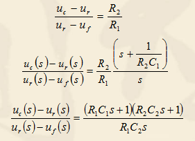
二、电压调节器的参数
●若电压调节器采用PI调节器,需确定2个参数:
--零点1/(R2C1),一般首先确定
--增益R2/R1
讲述开关电源控制电路的设计(借用老芯片3525-494-3842讲述)
----确定零点的原则:开关电源电路的传函是二阶振荡环节,其共轭极点由滤波参数决定。这一对共轭极点是开关电路的主导极点,为了较好地补偿这一对极点造成的相位滞后,电压调节器的零点1/(R2C1)应选取在这一对共轭极点对应的频率处,即 。
●零点确定后,可以根据Bode图确定增益。
--确定增益的原则:使相位裕量为30°~50°。
峰值电流模式控制电路的设计
●峰值电流模式控制系统包括:
--电流反馈控制环
--电压反馈控制环
----注意:电流环是内环,应先设计;电压环是外环,后设计。
●峰值电流环需要通过设计过程来确定的参数主要是:峰值电流比较补偿斜率,按如下公式设计
讲述开关电源控制电路的设计(借用老芯片3525-494-3842讲述)
--因为M1>0,M2>0,因此,可以选取Mc的公式为
●在峰值电流控制电路的设计过程中,需要根据电路参数计算M1和M2的变化范围,并选取合适的Mc,使Qs在M1和M2的变化范围内都保持正值。
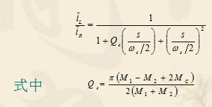
●电流闭环的传函为
讲述开关电源控制电路的设计(借用老芯片3525-494-3842讲述)
--表明:电流环相当于一个二阶振荡环节,其共轭极点的频率为开关频率对应角频率的1/2,其阻尼系数由Qs决定。
平均电流模式控制电路的设计
●平均电流模式控制电路的设计同峰值电流控制电路,即先设计电流环的参数。
--不同之处:电流环采用PI调节器,需要确定两个参数—比例系数、零点。
●调节器比例系数Kp的计算原则:
--保证电流调节器输出信号的上升段(对应电感电流下降段)的斜率比锯齿波斜率小。满足这个条件,电流环稳定。
●零点的计算原则:
--通常选择在较低的频率范围内,可选在开关频率所对应的角频率的1/10~1/20处,以获得在开环截止频率处较充足的相位裕量。
●很多情况下,还可以在PI调节器的中增加一个位于开关频率附近的极点,用来消除开关过程中产生的噪声对控制电路的干扰。这样的PI调节器的结构如下图
讲述开关电源控制电路的设计(借用老芯片3525-494-3842讲述)
●该PI调节器的传函为
讲述开关电源控制电路的设计(借用老芯片3525-494-3842讲述)
●由此看出,该PI调节器由1个积分环节、1个极点和1个零点构成。零点由R2和C1决定,极点由R2与C1串C2决定。
●经过这样的设计,平均电流模式控制系统的电流闭环特性与峰值电流模式控制系统电流闭环非常相似,其闭环特性仍可以等效为一个二阶振荡环节,其共轭极点的频率为开关频率对应角频率的1/2,因此,可以采用相同的方法设计电压调节器的参数。
相关标签
最新活动
往届回顾