行家说Display
LED新型显示产业智库
关注公众号
电源某元器件莫名发热问题及解决办法
阿拉丁照明网 · 2016-12-17
前段时间,
一台稍特殊的电源调试过程中,
发现桥堆很奇怪的发热。
在这将问题查找及解决过程分享一下。
在迷底没揭开之前,
也希望网友们积极分析其原因。
先大概说一下,
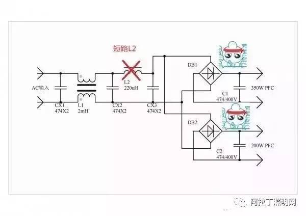
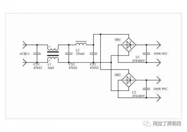
这个电源因特殊要求,要有2组独立的PFC。
这2组独立的PFC,输出分别给2组后续电路供电,
调试过程中是用了2组隔离的电子负载进行。
如下图:
电源某元器件莫名发热问题及解决办法
两路分别带满载,一切正常。
加了点 卡通图片,这样形像一点。
(卡通图片是网上找的,版权归作者所有)
电源某元器件莫名发热问题及解决办法
电源某元器件莫名发热问题及解决办法
前面,一切顺利。
两路都可以正常带载,
好吧,这回一起带载。
可问题来了:
两路一起带载时,
第二路的桥堆明显比自己单独带载时温度高很多
电源某元器件莫名发热问题及解决办法
经反复测试,现象是:
只要1路带 较大负载,2路的桥堆就会发热,
将1路减到 较小或空载,2路的桥堆 立即降温。
这真的是闹鬼了?
带大载350W的,反而没有带载200W的桥堆热。
而且还自己带载了,弄得隔壁热。
这叫:隔山打牛?
第一反应:
是不是原理图画错了,导致PCB也错了,两边桥堆串电流了呢?
经检查,没有错,确实已经分开,不是串流。
怀疑各路PFC的CBB电容不够大,两路同时加大一倍容量。
结果,第2路桥堆明显降温,但是否降到正常值,当时就没有太去注意。
电源某元器件莫名发热问题及解决办法
还试了,C1,C2 还原,把L2短路,
也是同样的结果。
第2路桥堆也明显降温。
电源某元器件莫名发热问题及解决办法
还试了,C1,C2还原,L2也还原,
只把CX3加大,也是同样的结果。
第2路桥堆也明显降温。
电源某元器件莫名发热问题及解决办法
试了这么多办法,
也就是
加大电容就可以明显降低DB2的温度。
估计,
很多 工程师到这就觉得,
问题已经解决了。
也不去关心
之前为什么热?
加了电容又为什么能不热?
这也许是项目紧,时间不允许,弄好了就行。
又或是自己觉得这样就可以用了,
没有必要去知道为什么。
其实,做为研发技术人员,
在自己能力范围以内还是要尽量找到原因。
这对自己,对产品,
对公司都算是一种负责的态度。
做事的态度是非常重要的。
回头想想,桥堆(或者说二极管)发热,
都有哪些常见的原因呢。
最常见的:
电流大
(两路输出是没有连接的,这点之前怀疑时也确认过)
反向短时间软击穿(不排除有这可能)
后来又想想,总不能是反向恢复问题吧。
想到这,突然眼前一亮,
觉得这个可能性非常大,准备验证一下。
验证方法:
将发热的整流桥换成快恢复管。
将DB2的正极两个二极管“换成”超快恢复二极管。
温度也明显降低。
看输入功率,比之前 加电容容量 的输入功率还要低约1W。
电源某元器件莫名发热问题及解决办法
其实,
后面还用
电流探头分别测了用桥堆和用快管时的电流波形。
用“慢管”时,
确实能测到反向电流,而且还挺大。
原因是已确定为
桥堆反向恢复慢,导致发热。
下图说明了具体原因,
同时也能说明
为什么做上边那些改动可以降低DB2的发热。
电源某元器件莫名发热问题及解决办法
至此,鬼已被找到,
然后再看看用什么合适的办法把它消灭。
用快管当然是最直接的办法,对症下药嘛。
可这样,又觉得比较麻烦,
甚至有可能还被业入人士笑我:50Hz 用快管。
最终解决办法,
将桥前边的差模电感去掉,
给两路分别加差模电感。
电源某元器件莫名发热问题及解决办法
小结
1路的PFC,将自己的CBB电容和桥前边的CBB电容电压快速拉低。
导致另一路桥堆的电压迅速反向(前边低于后边),而这时桥堆如果正在给后边充电的话,就会因为反向恢复较慢而使电流倒灌。
其实,另一个桥推可能也存在这个问题,只是因为两边功率不一样,导致功率大的那边能把前边电压拉得更低(或者说拉低得更快),所以小功率这边的桥堆发热才较为明显。
要出现这个问题,要达到几个条件:
1.桥堆后至少某边的CBB电容偏小,导致电压会被迅速拉低。
2.桥堆前边的CBB电容也小,同时一起被迅速拉低。
3.输入端串有差模电感(如果共模的漏感够大,也行),阻碍后边快速充电。
4.桥堆是慢速管,有较大的反向恢复电流。
而以上4个条件,前边三个条件是导致电流有机会反向流的原因。
发热的原因,则是桥堆的反向恢复速度太慢。
来源 | 世纪电源网
最新活动
往届回顾