行家说Display
LED新型显示产业智库
关注公众号
十大常见照明电路设计
阿拉丁照明网 · 2016-11-13
随着我国经济的不断发展,电气技术也在日渐普及,各个行业中从事电气工作的人员也越来越多,这就要求广大从事电工、机械设备操作的技术人员与时俱进,掌握更多的电气方面的设计、安装以及更实际的操作维修技能。
为了帮助广大从事电气工作人员掌握更多的电工电路连接的应用知识,特选取十例常见照明电路,目的是给初、中级电工技术人员或想从事电气维修工作的人员,如职业学院的学生以及下岗再就业人员,提供一些更实用、更具有操作性的电路图,使广大读者能活学活用。在较短的学习时间中,学到最实用的电工电路知识,并能应用到实际工作当中,从而达到学以致用,取得立竿见影的良好效果,在自己的工作中取得更好的经济效益。
一、双荧光灯的户外广告双灯管接电路
双荧光灯接线电路如图1所示。一般在接线时应尽可能减少外部接头。安装荧光灯时,镇流器、辉光启动器必须和电源电压、灯管功率相配合。这种电路一般用于厂矿和户外广告等要求照明度较高的场所。
十大常见照明电路设计
▲图1 双荧光灯的户外广告双灯管接线电路
二、单连开关控制三盏灯电路
用一只单连开关控制三盏灯及三盏以上灯的线路见图2所示,要注意通过开关的电流值不能超过该开关允许的范围。按实物图连接就能使电路工作,非常直观实用。这对初学电工很有借鉴意义。
十大常见照明电路设计
▲图2 一只单连开关控制三盏灯电路
三、用三个开关控制一盏灯电路
在日常生活中,经常需要用两个或多个开关来控制一盏灯,如楼梯上有一盏灯,要求上、下楼梯口处各安装一个开关,使人员上、下楼时都能开灯或关灯。这就需要一灯多控。图3所示是三个开关控制一盏灯电路。开关S1和S3用单刀双掷开关,而S2用双刀双掷开关。S1、S2、S3三个开关中的任何一个都可以独立地控制电路通断。
十大常见照明电路设计
▲图3 用三个开关控制一盏灯电路
四、路灯光电控制电路
这是一种简单的光控开关电路,工作原理如图4所示。当晚上(照度低)时,光敏电阻GR的电阻增大,VT1的基极电流减小直至截止,于是VT2也截止。VT2的集电极电压上升使VT3导通,继电器KA吸合,点亮路灯。早上天刚亮(照度高),GR的阻值减小,使VT1导通,于是与上述过程相反,关闭路灯。继电器KA为JRX-13F型。
十大常见照明电路设计
▲图4 路灯光电控制电路
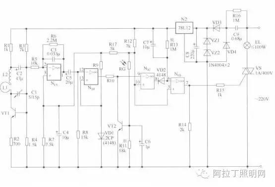
五、感应延时灯光控制电路
电路如图5所示。当有人进入控制区时,白炽灯会自然点亮;而当人走过或在控制区内静止不动时,它会延时一段时间自动关灯。但是,只要人在被控制的范围内活动,灯就会给人照明。这种装置还设有光控电路,在室内可见度较好的环境下,尽管人来人往,由它控制的灯不会点亮。
晶体管VT1、L1、L2、C1及R1~R4等组成近微波段自激振荡电路,其振荡频率在700~1000MHz范围内可调,由微调电容器C1设定。所产生的电磁波由L1发射到周围空间,其幅射面积在50~80m2,且无方向性。
当有人在该范围内活动时,根据电磁波的多普勒效应,人体的反射波将通过L1接收到,使VT1的振荡频率和幅度产生变化,电容器C2正端的电位发生波动。电位波动的频率与人体活动快慢有关,而幅度与人体至L1的距离有关。
该波动电位信号经电解电容器C2和电阻R5耦合到运算放大器N1A的反相输入端②脚进行高增益放大。为了使N1A输出幅度变化最大,其同相输入端③脚的偏置电压设定在直流电源电压的一半处,即+6V左右。也就是说,适当地选取R7、R17、R12等的电阻值,使N1A静态时输出端①脚电位为6V。
当有人在灯下被监控范围内活动时,N1A输出端①脚电位就会在6V左右变化。这个变化的电信号通过C5、R8微分,送到N1B进行比较放大,这时N1B的输出端将在0~+10V之间大幅度变化,再送入比较器N1C进行比较。
当N1C的反相输入端电压高于同相输入端电压时,N1D的输出立刻由高电位转化为低电位,二极管VD2导通,使N1D的反相输入端电位低于同相输入端电位,N1D输出端⑦脚呈高电位,通过R15触发双向晶闸管VS导通,白炽灯泡EL点亮。
十大常见照明电路设计
▲图5 人体感应延时灯光控制电路
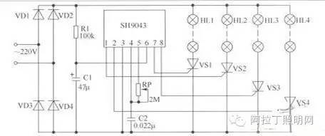
六、追逐式彩灯电路
本例是一种跳跃感特别强的新颖彩灯,其控制闪亮顺序采取1→3→2→4的跳马追逐方式。电路如图6所示。
二极管VD1~VD4组成桥式整流电路,输出全波整流电压作为4路彩灯的电源,同时通过限流电阻R1并经电容C1滤波后作为集成电路SH9043的电源。
电位器RP和电容C2是SH9043的外接电阻和电容,调节RP可以调节芯片内部振荡器的振荡频率,从而改变4路彩灯跳马追逐速率,闪光频率可以在1~200Hz之间变化。集成电路的①脚、②脚、⑦脚、⑧脚分别与晶闸管VS2、VS4、VS1、VS3的控制极相接。4路输出信号用来控制晶闸管的导通与否,从而使得串接在晶闸管阳极回路中的灯串HL1~HL4闪亮。
制作时,集成电路用SH9043,VD1~VD4用1N4004型二极管,VS1~VS4用2N6565型单向晶闸管。R1用RTX-2W型碳膜电阻器,RP用WH5型合成碳膜电位器;C1用CD11-10V型普通电解电容器,C2可用CT1型瓷介电容器;HL1~HL4用功率小于100W的市售彩灯串,也可用60个3.8V的小电珠串联而成。
十大常见照明电路设计
▲图6 追逐式彩灯电路
七、彩灯(满天星霓虹灯)电路
电路如图7所示,主要由CD4060及外围元件组成。CD4060是一种带有振荡器的十四级计数器,用其输出端控制晶闸管导通,使各组灯串发光。由于CD4060输出方式是二进制状态,所以很难看出灯串的发光变化规律,从而好似满天星星。
十大常见照明电路设计
▲图7 节日彩灯——满天星霓虹灯电路
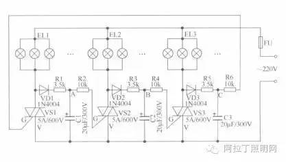
八、“流水式”广告彩灯控制电路
大功率“流水式”广告彩灯,可以在商场、剧院、舞厅或其他建筑物上使用,使夜景显得很美,特别是在节日里用于广告时,更增加了节日的欢乐气氛。
这里介绍一种元件少、功率大,可同时点亮60盏25W彩灯的电路。灯光呈追逐式跳动闪光。电路如图8所示,VSl、VS2、VS3组成相同的三个单元电路。当接通电源后,电源通过VD1、EL1、R1对C1充电,使A点电位升高。同理,B、C点电位也逐渐升高。
由于电子元件性能的差别,某一组双向晶闸管会首先触发导通,如C点电位升高使VS1首先触发导通,ELl灯亮,电容C3经电阻R6向VSl放电,C点电位下降,而电容C1继续充电,A点电位升高,一段时间后,VS2导通,EL2灯亮,VS1截止。这时电容C1经R2向VS2放电,A点电位下降,而C2继续充电,B点电位升高,一段时间后,VS3导通,EL3灯亮,VS2截止。以下过程相同。这样,灯泡按次序轮流发光,产生“流水式”广告彩灯效果。
十大常见照明电路设计
▲图8 大功率“流水式”广告彩灯控制电路
九、照明电路—应急照明灯电路
应急照明灯电路如图9所示。当开关S在“1”的位置时,220V的交流电源经变压器T1降压、VD1~VD4整流后向蓄电池GB充电。当停止交流供电时,可把开关S拨向“2”的位置,此时蓄电池向逆变变压器T2二次[侧]输出高压,使灯管启辉。
逆变变压器采用铁氧体罐形磁芯绕制,规格为GU26&TImes;16。绕制时,要注意高压绕组L3的绝缘。电池组可根据条件选用。电源变压器可用10V?A铁芯绕制。灯管可选用7W的H形或U形节能灯。
电路安装无误后,如通电不起振,则有可能是反馈线圈接反,一般来讲,将L1两端对调,即可正常工作。调整C1的容量可改变振荡频率,C1的容量越大,振荡频率越低。
应急灯的应用很广泛,若应用在消防工程中时,除应具有产品相关合格证外,灯具还必须采用金属外壳,灯头(指白炽灯)不允许采用塑料制品。
十大常见照明电路设计
▲ 图9应急照明灯电路
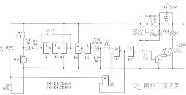
十、照明电路— 声光控自动照明灯电路
这是一种智能灯具,能够只在夜晚有人时才自动开灯,人走后即自动关灯,既满足了照明的需要,又最大限度地节约了电能。电路如图10所示,主要元器件使用了数字集成电路,简化了电路结构,提高了工作可靠性。
电路工作原理如下:
(1)光敏二极管VD1等组成光控电路。白天由于环境光很亮,VD1导通,D8输出低电平封闭了与非门D7,照明灯泡EL不亮。夜晚VD1截止,D8输出高电平开启了与非门D7,灯泡EL亮或不亮取决于声控电路。
(2)驻极体话筒BM等组成声控电路。没有行人时灯泡EL不亮。当有行人接近时,行人的脚步声或讲话声由话筒BM接收、D1~D3放大、D6整形、D4倒相后,经过与非门D7使开关管VT和双向晶闸管VS导通,照明灯EL点亮。
(3)VD2、C2等组成延时电路。当声音信号消失后,由于延时电路的作用,照明灯EL将继续点亮数十秒后才关闭。
(4)与非门D7输出端的信号又回送至光控门D8,在灯泡EL点亮时封闭光控电路信号,这样即使本灯的灯光照射到光敏二极管VD1上,系统也不会误认为是白天而造成照明灯刚点亮就立即关闭。
该灯电路可以安放在灯座中,外表只留感光孔和感声孔,如图10所示组成一个整体,特别适合安装在楼梯、走廊等公共场所。
十大常见照明电路设计
▲图10 声光控自动照明灯电路
十大常见照明电路设计
来源 | 电工技术
最新活动
往届回顾