行家说Display
LED新型显示产业智库
关注公众号
「工程」施工中如何设计LED显示屏支撑结构
业绩榜 · 2016-06-11
摘要:LED显示屏支撑结构分为落地式、壁挂式和楼顶式3种,各类型的支撑结构体系应力应变特点不同。通过对3种支撑结构体系进行有限元分析比较,得出相应支撑结构的优化方案。结果表明,落地式支撑体系悬臂柱宜采用圆形截面,壁挂式水平向支撑体系宜采用组合桁架,楼顶式支撑结构宜采用空间桁架体系。针对支撑结构关键节点进行优化设计,通过设置抗剪键或十字形加劲肋等构造措施优化节点应力状态,提高支撑结构的安全性能。
关键词:LED显示屏;支撑结构;结构选型;有限元分析;节点
随着多媒体技术的发展,LED电子显示屏广泛应用于商业展示,产生良好的广告效应,设计优秀的显示屏支撑结构同时可成为城市建筑物中靓丽的风景线。结合显示屏的视距要求以及投资地域等特点通常会根据建设地点及建筑物要求进行结构类型设计。LED显示屏通常采用独立落地形式或附属建筑物进行设置(图1,2)。针对不同显示屏形式的支撑结构,应准确分析其受力特性选用相应的结构形式,本文将对LED电子显示屏支撑结构进行分类总结,提出各种支撑结构方案适用的范围、设计难点以及相应的优化设计方案和构造措施。
「工程」施工中如何设计LED显示屏支撑结构
图1落地显示屏图
「工程」施工中如何设计LED显示屏支撑结构
图2屋顶显示屏图
1、显示屏支撑结构类型
1.1落地式支撑结构
落地式LED电子显示屏多设置于城市广场或重要交通交叉处。分析落地显示屏支撑结构受力特性可知,支撑结构宜采用空间钢桁架结构。在基础上设置4根钢柱组合形成空间格构柱。上部屏体部分采用多层水平空间桁架结构,既可满足结构受力要求,又可满足检修通道的设置。
义乌市宾王路LED显示屏屏体面积屏体有效尺寸为13.4mx8.6 m,属于典型落地式支撑结构,采用格构柱形成显示屏支撑结构体系。钢格构柱4根主肢采用300 mmx300 mmx 10 mm,水平横材采用200mm×100 mmx6mm、斜腹杆为100 mm×100mm×6mm,结合格构柱内部空间设置检修上人通道;屏体背侧构件采用钢桁架结构,上弦杆、下弦杆、腹杆均采用100 mmx100 mmx6 mm,上部铺设6 mm厚钢板以满足检修通道要求。基础采用独立混凝土基础。支撑结构如图3所示。
「工程」施工中如何设计LED显示屏支撑结构
1.2壁挂式支撑结构
城市建设密度较大,只有很少区域能够满足落地式显示屏的建设条件。而LED电子显示屏具有播放动态画面广告等优点,城市商业繁华地段需建设大量的LED显示屏,解决该矛盾的方案就是建设附属于已有建筑物的显示屏。
根据建筑物的建设条件、改造条件以及建筑物高度通常将附属于建筑物的LED显示屏支撑结构分为壁挂式显示屏支撑结构和楼顶式显示屏支撑结构。
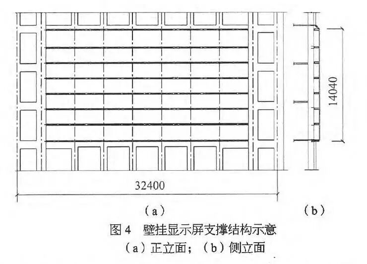
壁挂式显示屏支撑结构多采用单层钢结构固定于主体结构侧面,内部设置检修通道。中国电信温州分公司南站大楼LED大屏幕工程显示屏24.0 mx 13.4m,属于典型壁挂式显示屏支撑结构,采用方钢管160 mmx160 mmx6 mm形成节点体系,槽钢14a上铺设6 mm厚压纹钢板形成检修通道,各节点通过6个M16锚栓锚固于主体结构框架柱侧。该工程正立面及侧立面见图4。
「工程」施工中如何设计LED显示屏支撑结构
1.3楼顶式支撑结构
实际使用中壁挂式LED电子显示屏由于占据较大的建筑物外立面,将会影响到建筑物的采光,因而壁挂式电子显示屏仅适用于商场等大型商业建筑。建筑高度适中的办公建筑及民用住宅建筑设置的LED电子显示屏只能设计在建筑物顶部。此时显示屏支撑结构体系应归类为楼顶显示屏支撑结构。
中国通信服务广西公司显示屏支撑结构设置于大楼顶部,充分利用原主体结构剪力墙设置钢格构体系,梁柱均采用格构构件,形成具有良好受力状态的空间桁架体系。显示屏屏体有效尺寸17.5 mx8.0 m,钢格构柱4根主肢采用100 mmx100 mmx5 mm,水平横材采用100 mmx100 mmx5 mm、斜腹杆为口60mmx60 mmx5 mm,其中水平横材与竖材各自组成桁架体系抵抗侧向风荷载和地震荷载。节点通过10个M12螺栓锚固于主体结构。该工程正立面如图5所示。
「工程」施工中如何设计LED显示屏支撑结构
2、荷载作用
LED电子显示屏采用落地式、壁挂式或楼顶式均需计算永久荷载、活荷载、风荷载、雪荷载、裹冰荷载、地震荷载等荷载作用(1)。其中永久荷载需计入屏幕自重荷载,活荷载需考虑屏体检修涉及的检修荷载。荷载组合系数应符合规范要求。
壁挂式或楼顶式显示屏其自振周期应结合主体结构进行整体分析,通常情况下可选用主体结构自振周期进行计算(2、3),并分析高振型对楼顶式支撑结构的影响(4)。风荷载的计算应按照围护结构进行设计分析,对大型支撑结构应根据具体结构形式进行深入分析(5)。地震荷载的计算应综合考虑双向水平地震和竖向地震作用,对壁挂式支撑结构尤其要重视罕遇地震下竖向地震作用的影响分析。
此外电子显示屏内部设置有电子显示单元,长时间的照明及其他设备的运作均会带来过多的热量,内部易出现散热问题,支撑结构内部布置有大量的电力线路,线路老化等问题也易导致火灾发生。显示屏支撑结构在此类意外作用发生时应有足够的抵抗能力,不致发生连续性倒塌破坏,需加强关键构件支撑节点的设计,提高安全储备。
3、 结构选型
3.1落地式支撑结构
落地式电子显示屏支撑结构通过与基础连接的柱体承担上部屏体结构的荷载,可按照悬臂梁结构进行分析计算。落地式支撑结构通常采用单柱或双柱加横梁式结构,其余类型可结合建筑造型选用合适的支撑结构体系。柱体设计可采用混凝土结构、钢管结构以及格构钢柱,横梁可选用格构梁等钢结构类型。其基础选型应根据场地的地质条件确定,并应进行抗压、抗拔、抗弯和抗倾覆计算。结合悬臂结构的受力特点,落地式支撑结构的关键构件为竖向柱体设计,选用安全合理符合工艺要求的截面形式。
结合显示屏支撑结构的建设周期等特点,选用圆形钢柱和格构钢柱截面进行分析,研究相同应力应变情况下钢材的用量。采用有限元分析软件建立模型,圆形钢柱采用彩1000×15,格构钢柱4根主肢采用300 mm×300mm×10mm,水平横材采用200mmx100 mmx6mm、斜腹杆为100mx100 mm×6mm,根据悬臂结构受力特点,将上部屏体承受荷载简化到柱体顶部,根据简化后的模型对两种柱体进行有限元分析。分析结果表明,对落地式支撑结构,圆柱式截面及格构式截面均为良好的截面形式。户外电子显示屏由于需维修电子显示元件,因而需设置上人通道,采用格构式柱可充分利用格构空间设置上人通道,不会像圆截面一样由于设置上人孔洞导致柱根部截面出现薄弱部位。当由于景观需设置圆形截面时应对上人部位进行局部加固处理。当两种截面类型均能满足实用及外观要求时,应优先采用格构柱。
3.2 壁挂式支撑结构
壁挂式支撑结构通过钢节点锚固于主体结构物侧部,通常可采用框架柱固定节点,当节点间距不能满足要求时,可采用框架梁作为辅助支点设计位置。横梁构件固定于支撑点上形成水平向片状结构体系,该体系承担显示屏传来的风荷载并作为检修通道承担检修荷载,属于壁挂式支撑结构的主要受力体系。屏体龙骨均布置在水平片状结构体系上。通常该体系可采用水平放置的桁架,对于节点距离较小的体系可直接采用型钢作为横梁,计算模型可采用连续梁方案。水平片状结构体系是壁挂式支撑结构的关键构件。图6,7研究了两种水平片状结构体系的应力应变特点,主体结构轴线间距为7500mm,在楼层中部设置的检修平台中间无法设置支撑点,因而该工程最大变形点发生在楼层中部位置。根据变形特点分别采用两种结构形式进行分析。节点构件均采用160 mmx160 mm×6 mm,单独型钢水平支撑结构采用100 mm×l00 mm×5 mm,组合桁架水平支撑结构弦杆采用50 mmx50 mmx4 mm,斜腹杆采用30mmx30 mm×3 mm。
「工程」施工中如何设计LED显示屏支撑结构
根据图6,7的分析结果可知,当支撑结构体系总质量相同的情况下,采用斜腹杆组合桁架结构比采用直腹杆组合桁架结构变形小。结果表明,水平片状结构体系采用斜腹杆组合桁架结构可有效降低支撑结构变形,尤其当框架轴线间距较大,中间区域无法连续设置支点时,增加斜腹杆密度可有效降低支撑结构变形。
3.3楼顶式支撑结构
楼顶式支撑结构需结合楼顶原有结构布置进行设计,充分利用原有主体结构体系承担荷载对优化楼顶式支撑结构体系非常重要。通常可结合建筑物造型采用平面桁架、空间桁架或网架结构等多种结构形式,结构方案灵活多变,可采用有限元分析软件进行建模分析计算。针对楼顶轻钢的特点应注意自振周期的特殊性以及鞭梢效应,宜对楼顶式支撑结构与大楼建立整体模型进行有限元分析,研究支撑结构的应力应变特性。
楼顶式支撑结构属于空间结构体系,其与主体结构的连接方式有多种类型,需根据实际主体结构顶部的情况确定。不同的结构类型受力性能差别很大,只有采用有限元方法分析整体空间结构的受力状态才能得到符合实际的设计方案。图8为结合实际工程主体结构突出丁页面的剪力墙与下部柱顶布置支撑点形成的网架结构,钢柱和支撑于剪力墙的横钢梁采用90 mmx90 mmx5 mm,横向次钢梁选用组合双角钢2xL40 x4,斜腹杆均采用组合双角钢2xL30 x3。采用钢材总质量为13 900 kg,柱构件根部应力最600习大,其值为133 N/mm²,其余构件应力均不大于 N/mm²,平面内最大变形为3.08 mm,满足变形要求(6)。图9采用空间桁架结构体系,构件均选用方钢管,其中柱和横钢梁支撑构件 100 mm×100 mmx5mm,次钢梁80 mmx80 mmx5m,斜腹杆60mmx60 mmx4 mm,最大应力值135 N/mm²,最大变形值3.08 mm,钢材总质量14100 kg。
「工程」施工中如何设计LED显示屏支撑结构
对比两种结构类型可知,采用相同重量的网架结构体系与空间桁架结构体系的应力和应变相差不多,两种结构体系效果相近。综合考虑施工难度及维护方便等因素,楼顶式支撑结构宜选用空间桁架形式。
4、节点分析
采用钢构件为主要构件的显示屏支撑结构存在大量的连接节点,节点的准确设计对整体结构的安全性能至关重要。
支撑结构与混凝土基础连接采用专用预埋件,与主体混凝土结构的连接采用40c-学锚栓和植筋,在与梁体连接处优先采用对穿螺栓。所有节点均不得采用膨胀螺栓。基础节点设置的锚栓数量应满足承载力要求,并按照对称原则进行等间距布置。落地式支撑结构属于悬臂型结构体系,其柱根部应力较大;壁挂式支撑结构同样属于悬臂型结构体系,其节点根部应力较大。针对与基础及主体结构连接节点的应力分布特点,采用在根部对节点进行处理的方案进行优化设计,可有效改善节点应力并降低钢材用量。图10为优化后的两种根部节点类型。
「工程」施工中如何设计LED显示屏支撑结构
5、结束语
(1)落地式显示屏支撑结构属于悬臂结构,其柱体为关键构件,根据应力应变分析结果结合电子显示屏检修特点,优先选用格构式截面。
(2)壁挂式显示屏支撑结构水平片状结构体系采用斜腹杆组合桁架结构优于直腹杆组合桁架结构,当主体结构轴线较大,中间区域无法设置节点时应增加斜腹杆密度。
(3)楼顶式显示屏支撑结构可采用网架结构和空间桁架结构体系,两种结构体系应力应变均衡,从施工难度等方面考虑优先选择空间桁架体系。
(4)显示屏支撑结构节点的准确设计对整体结构安全陛能至关重要,针对节点根部受力较大特性设置抗剪键或十字加劲肋等构造措施,可有效提高节点的承载能力。
参考文献
[1]GB 50009--2012,建筑结构荷载规范[s].
[2]沈之容,李冰心.楼顶广告牌结构基本自振周期计算方法研究[J].建筑结构,2012,42(3):75-77.
[3]姚云龙,张佚伦,任高杰.地面角钢塔与楼顶角钢塔的基本自振周期研究[J]钢结构,2014,31(2):44-47.
[4]崔基,田旭鹏,马信,等.超高层异型钢结构安装测量控制[J].建筑技术,2014,45(6):507-514.
[5]阳芳,张海,周芝兰.独立柱双面广告牌风荷载计算研究[J].特种结构,2011,28(1):50-53.
[6]GB 50017--2003,钢结构设计规范[s].
原题目:LED显示屏支撑结构分析与设计
作者:姚云龙,阎勇琦,池远东,屈海宁
单位:华信咨询设计研究院有限公司
「工程」施工中如何设计LED显示屏支撑结构
「工程」施工中如何设计LED显示屏支撑结构
最新活动
往届回顾