行家说Display
LED新型显示产业智库
关注公众号
LED灯珠各种连接形式
中照网 · 2016-06-11
LED在应用中的配置形式取决于多方面的因素,其中包括应用要求、LED参数与数量、输入电压、效率、散热管理、尺寸与布局限制及光学等。最简单的配置形式是单个LED,采用这种设计的应用例多,如汽车内顶灯(地图灯、阅读灯)等。
由于目前LED的功率和亮度还不是很高,而实际使用场合通常需要平面发光,因此需要将多个LED按照需要排列组合起来,以满足较大范围、较高亮度、动态显示、色彩变换等应用要求及LED与配套驱动器之间的匹配要求。
一、常见的连接形式
整体串联形式
1简单串联形式
LED灯珠各种连接形式
一般简单的串联连接形式中的LED1~LEDn首尾相连,LED工作时流过的电流相等。对于同-规格和批次的LED来说,虽然单个LED上的电压可能有微小的差异,但是由于LED是电流型器件,因此可以保证各自的发光强度相一致,困此,简单的串联形式的LED就具有电路简单、连接方便等特点。然而,由于采用串联形式,当其中一个LED发生开路故障时,将造成整个LED灯串的熄灭,影响了使用的可靠性。
2带并联齐纳二极管的串联形式
LED灯珠各种连接形式
每个LED都并联一个齐纳二极管的改进型串联连接形式。在这种连接方式中,每个齐纳二极管的击穿电压都高于LED的工作电压。在LED正常工作时,由于齐纳二极管VD1~VDn,不导通,电流主要流过LED1~LEDn,当LED串中有损坏的LED所造成灯串开路时,由于VD1~VDn,导通,除了有故障的LED外,其他LED仍有电流通过而发光。这种连接方式与图1所示的简单串联形式比较9在可靠性方面得到很大提高。
整体并联形式
1简单并联形式
LED灯珠各种连接形式
简单并联形式中的LED1~LEDn首尾并联,工作时每个LED承受的电压相等。由LED的特性可见,其属于电流型器件,加在LED上的电压的微小变化都将引起电流的较大变化。此外,由于受到LED制造技术的限制,即使是同一批次的LED,其性能上的差异也是固有的,因此LED1~LEDn工作时,谁过每个LED的电流是不相等的。由此可见,每个LED电流分配的不均可能使电流过大的LED寿命锐减,甚至烧坏。这种连接方式虽然较为简单。但是可靠性并不高,特别是对于LED数量较多情况下的应用就更容易造成使用的故障。
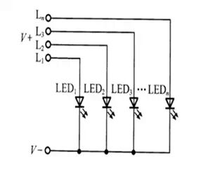
2独立匹配的并联形式
LED灯珠各种连接形式
图4
针对图3中存在的可靠性问题,独立匹配的并联形式是一种很好的方式(见图4)。这种方式中的每个LED都具有电流独自可调性(驱动器V+输出端分别为L1~Ln,),保证流过每个LED的电流在其要求的范围内,具有驱动效果好、单个LED保护完整、故障时不影响其他的LED工作、可以匹配具有较大差异的LED等特点。存在的主要问题是:整个驱动电路的构成较为复杂,装置的造价高,占用的体积太,不适用于数量较多的LED电路。
混联形式
混联形式是综合了串联形式和并联形式的各自优点而提出的,主要的形式有以下两种。
1先串后并的混联形式
LED灯珠各种连接形式
当应用的LED数量较多时,简单的串联或者并联都不现实,困为前者要求驱动器输出很高的电压(单个LED电压VF的n倍),后者要摔驱动器输出很大的电流(单个LED电流IF的n倍)。这给驱动器的设计和制造都带来困难,并且还牵涉到驱动电路的结构问题和总体的效率问题。串联的LED数量刀与单个LED的工作电压VF的乘积nVE决定了驱劝器的输出电压;并联的LED串的数量m与单个LED的工作电流IF的乘积mIF决定了驱动器输出电流,而mIF*nVF值就决定了驱动器的输出功率。因此,采用混串后并的混联方式主要是既保证有一定的可靠性(每串中的LED故障最多只影响本串的正常发光),又保证与驱动电路的匹配(驱动器输出合适的电压),比单纯的串联形式提高了可靠性。整个电路具有结构较为简单、连接方便、效率较高等特点,适用于LED数量多的应用场合。
2先并后串的混联形式
LED灯珠各种连接形式
若干个LED先并后串的混联形式如图6所示。由于LED1-n~LEDm-n先并联连接,提高了每组LED故障下的可靠性,但是由此一来每组并联LED的均流问题就至关重要。为此,可以通过配对挑选,将工作电压和电流尽量相同的LED作为并联的一组,或者给每个LED串接小的均流电阻来解决。这种混联形式具有的其他特点和存在的问题,与先串后并连接形式相类似。
3交叉阵列形式
LED灯珠各种连接形式
交叉阵列形式主要是为了提高LED工作的可靠性,降低故障率。主要构成形式是:每串以3个LED为一组,分别接入驱动器输出的Va、Vb、Vc输出端。当一串中的3个LED都正常时,3个LED同时发光;一旦其中一个或两个LED失效开路时,可以保证至少有一个LED正常工作。这样一来就能够大大地提高每组LED发光的可靠性,也就能够提高整个LED发光的总体可靠性。
文丨超毅电子 责编丨谢建群
输入以下关键词,查看相应内容:
案例 | 设计师 | 灯具 | 标准 | Dialux | 金手指奖 | 灯光节
更多内容,请点击菜单栏:消息回顾
树立中国照明行业权威
LED灯珠各种连接形式
最新活动
往届回顾