行家说Display
LED新型显示产业智库
关注公众号
碳化硅(SiC)技术,变革汽车车载充电的利器!
化合物半导体市场 · 2021-04-20
碳化硅(SiC)技术,变革汽车车载充电的利器! 收录于话题 #化合物半导体那些事 18个
日趋严格的CO2排放标准以及不断变化的公众和企业意见在加速全球电动汽车(EV)的发展。这为车载充电器(OBC)带来在未来几年巨大的增长空间,根据最近的趋势,到2024年的复合年增长率(CAGR(TAM))估计将达到37.6%或更高。对于全球OBC模块正在设计中的汽车,提高系统能效或定义一种高度可靠的新拓扑结构已成为迫在眉睫的挑战。
用于单相输入交流系统的简单功率因数校正(PFC)拓扑结构(图1)是个传统的单通道升压转换器。该方案包含一个用于输入交流整流的二极管全桥和一个PFC控制器,以增加负载的功率因数,从而提高能效并减少施加在交流输入电源上的谐波。
这种流行的PFC升压拓扑的优点是设计简单,实施成本低且性能可靠。然而,二极管桥式整流器的导通损耗是不可避免的,且这将不支持车辆向AC电网提供电能的双向运行。采用多通道交错式传统升压转换器,对升压电路进行多次迭代,可改善某些系统性能参数,但并不能省去输入二极管桥。
碳化硅(SiC)技术,变革汽车车载充电的利器!
图1:传统的PFC
仿真数据(图2)表面,在PFC块中,输入二极管桥的功率损耗比其他所有元器件损耗都要大。
碳化硅(SiC)技术,变革汽车车载充电的利器!
图2:PFC中的功率损耗分布
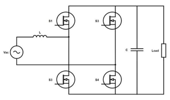
为了提高OBC系统的能效,人们研究了不同的PFC拓扑结构,包括传统PFC、半无桥PFC、双向无桥PFC和图腾柱无桥PFC。其中,图腾柱PFC(图3)由于减少了元器件数量,降低了导通损耗,且能效高,因而广受欢迎。
碳化硅(SiC)技术,变革汽车车载充电的利器!
图3:无桥图腾柱PFC
传统的硅(Si) MOSFET很难在图腾柱PFC拓扑中的连续导通模式(CCM)下工作,因为体二极管的反向恢复特性很差。碳化硅(SiC) MOSFET采用全新的技术,比Si MOSFET具有更胜一筹的开关性能、极小的反向恢复时间、低导通电阻RDS(on)和更高的可靠性。此外,紧凑的芯片尺寸确保了器件的低电容和低门极电荷(QG)。
设计OBC的另一个挑战是,车辆中分配给模块的空间有限。在功率要求和电池电压不断提高的同时,设计既能满足机械尺寸要求又能提供所需输出功率的OBC变得越来越困难。使用当前用于OBC的技术,工程师们不得不在功率、尺寸和能效之间进行权衡,而SiC正在突破这些设计障碍。工程师使用具有更高开关频率的SiC,可使用更小的电感器,仍能达到以前相同的电感器纹波电流要求。
在OBC系统中使用SiC MOSFET的好处是能够以更高的频率进行开关,功率密度更高,能效更高,EMI性能得到改善以及系统尺寸减小。如今,SiC已广泛使用,工程师可在设计中使用图腾柱PFC来提高性能。
最新发布的采用6.6 kW图腾柱PFC的OBC评估板为多通道交错式无桥图腾柱PFC拓扑提供了参考设计。该设计在每个高速支路包括一个隔离的高电流、高能效IGBT驱动器(NCV57000DWR2G)和两个高性能SiC MOSFET (NVHL060N090SC1)。此外,低速支路采用两个由单片高边和低边门极驱动器IC (FAN7191_F085) 控制的650 V N沟道功率MOSFETSUPERFET?III (NVHL025N65S3)。
碳化硅(SiC)技术,变革汽车车载充电的利器!
图4:6.6 kW交错式图腾柱PFC评估板
在图腾柱拓扑结构中采用这些高性能SiC MOSFET配置,系统能效达到97% (典型值)。该设计包括硬件过流保护(OCP)、硬件过压保护(OVP)和辅助配电系统(非隔离),可为PFC板和控制板上的每个电路供电,而无需其它直流源。灵活的控制接口可适应各种控制板。
碳化硅(SiC)技术,变革汽车车载充电的利器!
图5:6.6 kW交错式图腾柱PFC评估板框图
文稿来源:安森美半导体
图片来源:安森美半导体,拍信网
化合物半导体在光电子领域的应用趋势
● 点击视频了解 ●
碳化硅(SiC)技术,变革汽车车载充电的利器!
点击在看,让更多人看到▼
相关标签
往届回顾