行家说Display
LED新型显示产业智库
关注公众号
全新的解码方式[并联DMX512协议] SM16512P
明微电子 · 2016-06-11
并联DMX512协议的 SM16512P,采用全新的解码方式[专利技术], 解决了工程安装、掉解码等系列问题.并成功推广多个应用方案上, 客户使用反馈比之前DMX512AP-N解码更方便、更可靠;更重要是解决很多安装不便。
全新的解码方式[并联DMX512协议] SM16512P
不管竟争对手采用什么方式诋毁明微,明微坚持做好的产品、做强自己;坚持为客户提供高品质、有价值的产品。同时,为客户提供全程技术服务,保证产品品质。
全新的解码方式[并联DMX512协议] SM16512P
明微电子:深圳高新技术企业,在集成电路行业坚持10多年,拥有60多项专利技术,持续创新,不断进取,挑战一切不可能。
SM16512P 是并联差分传输四通道LED驱动输出控制专用芯片,兼容并扩展DMX512(1990)信号协议。芯片内含电源稳压电路,时基电路,485模块,信号解码模块,数据缓存器,内置振荡器,四通道恒流驱动器默认输出电流17mA,同时用户也可以通过外挂REXT电阻调节所需的电流。
◆ 每一输出通道皆可输出8位(256级)灰阶的可调线性电流;
◆ SPWM输出,支持输出端极性反转OUT端口降低频率;
◆ 内置EEPROM存放芯片地址,数据总线一次性自动写地址, 可在线退出写地址状态 ,无需重新上电;
◆ 双线差分传输,带载点数多,抗干扰能力强,传输距离远。
典型应用
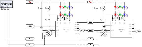
该产品用于差分并联传输方式,采用国际DMX512(1990)协议,最大并联芯片数为1024颗。 在显示控制及写地址时,控制器到第一个灯点无需连接四根线,而只需连接A/B两根信号线就可完成写地址及显示控制,省掉了地线及地址线两根连接线,大大的提高了工程安装的灵活性及便捷性。
SM16512P RGB 方案典型应用电路图
全新的解码方式[并联DMX512协议] SM16512P
应用领域
室内LED装饰照明,建筑LED外观/情景照明,洗墙灯、窗帘屏,点光源、护栏管。
附:6月9日-12日光亚展,明微电子在13.2C02与您不见不散!
【LED照明及电源类】技术支持 请联系工程师: 黄赖长:13602598260
最新活动
往届回顾